FNH kondenzator s zračnim hlađenjem važna je komponenta u rashladnoj opremi. Prvenstveno raspršuje toplinu koju je rashladno sredstvo oslobodio tijekom kondenzacijskog postupka konvekcijom zraka, održavajući normalan rad rashladnog sustava. Proizvod može biti opremljen različitim vrstama ventilatora kondenzatora prema zahtjevima kupca kako bi se zadovoljile različite potrebe za rasipanjem topline.
Tehnički parametri kondenzatora s zračnim hlađenjem tipa FNH
| Model | Kapacitet razmjene topline (KW) | Površinski (㎡) | Bakrena cijevi arandomrnt | Ventilator U travhea (φmm) | U Travhea (Φmm) | Tekućina (Φmm) | ||||
| Quty | Φfan (mm) | Volumen zraka (m³/h) | Snaga (W) | Napon (v) | ||||||
| FNH-0,6/2 | 0.6 | 2 | 2x4 | 1 | 200 | 780 | 55 | 220 | 10 | 10 |
| FNH-0,9/3 | 0.9 | 3 | 3x4 | 1 | 200 | 780 | 55 | 220 | 10 | 10 |
| FNH-1.2/4 | 1.2 | 4 | 3x5 | 1 | 250 | 970 | 80 | 220 | 10 | 10 |
| FNH-1.7/6 | 1.7 | 6 | 3x6 | 1 | 300 | 2040 | 1x85 | 220/380 | 10 | 10 |
| FNH-2.5/8.0 | 2.5 | 8 | 3x8 | 1 | 300 | 2040 | 1x85 | 220/380 | 10 | 10 |
| FNH-4.6/15 | 4.6 | 15 | 4x10 | 1 | 350 | 2700 | 1x180 | 220/380 | 19 | 16 |
| FNH-5.4/18 | 5.4 | 18 | 4x10 | 1 | 400 | 4000 | 1x230 | 380 | 19 | 16 |
| FNH-6,4/22 | 6.4 | 22 | 5x10 | 1 | 400 | 4000 | 1x230 | 380 | 19 | 16 |
| FNH-6,4/22B | 6.4 | 22 | 4x8 | 2 | 350 | 5400 | 2x180 | 380 | 19 | 16 |
| FNH-7,3/28 | 7.3 | 28 | 4x9 | 2 | 350 | 5400 | 2x180 | 380 | 19 | 16 |
| FNH-9.7/33 | 9.7 | 33 | 4x10 | 2 | 350 | 5400 | 2x180 | 380 | 19 | 16 |
| FNH-12.0/41 | 12 | 41 | 4x12 | 2 | 400 | 8000 | 2x230 | 380 | 19 | 16 |
| FNH-13.8/50 | 13.8 | 50 | 4x14 | 2 | 400 | 8000 | 2x230 | 380 | 19 | 16 |
| FNH-16,7/60 | 16.7 | 58 | 4x14 | 2 | 400 | 8000 | 2x230 | 380 | 22 | 19 |
| FNH-20,7/70 | 20.7 | 70 | 4x18 | 4 | 350 | 10800 | 4x180 | 380 | 28 | 22 |
| FNH-23.0/80 | 23 | 80 | 4x20 | 4 | 400 | 16000 | 4x230 | 380 | 28 | 22 |
| FNH-27.6/100 | 27.6 | 100 | 5x20 | 4 | 400 | 16000 | 4x230 | 380 | 28 | 22 |
| FNH-33.3/120 | 33.3 | 120 | 5x24 | 4 | 400 | 16000 | 4x230 | 380 | 32 | 25 |
| FNH-39.8/140 | 39.8 | 140 | 5x24 | 4 | 450 | 18800 | 4x280 | 380 | 32 | 25 |
| FNH-45.6/160 | 45.6 | 160 | 5x26 | 4 | 450 | 18800 | 4x280 | 380 | 32 | 25 |
| FNH-49.9/180 | 49.9 | 180 | 5x26 | 4 | 500 | 26400 | 4x460 | 380 | 32 | 25 |
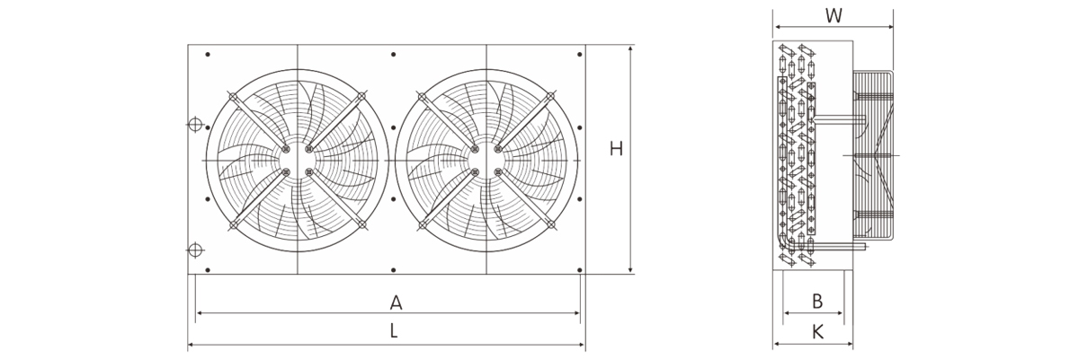
Izgled i instalacije Dimenzije kondenzatora s zračnim hlađenjem tipa FNH
| Model | Overll dimenzije | |||||
| L | K | H | A | B | W | |
| FNH-0,6/2 | 280 | 95 | 240 | 260 | 65 | 140 |
| FNH-0,9/3 | 280 | 120 | 240 | 260 | 80 | 165 |
| FNH-1.2/4 | 300 | 120 | 290 | 280 | 80 | 175 |
| FNH-1.7/6 | 350 | 150 | 340 | 330 | 110 | 235 |
| FNH-2.5/8.0 | 450 | 150 | 435 | 420 | 100 | 250 |
| FNH-4.6/15 | 485 | 170 | 535 | 455 | 145 | 280 |
| FNH-5.4/18 | 520 | 180 | 535 | 490 | 145 | 290 |
| FNH-6,4/22 | 600 | 180 | 535 | 570 | 145 | 290 |
| FNH-6,4/22B | 875 | 200 | 435 | 845 | 145 | 290 |
| FNH-7,3/28 | 875 | 200 | 485 | 845 | 145 | 290 |
| FNH-9.7/33 | 935 | 200 | 535 | 905 | 145 | 290 |
| FNH-12.0/41 | 935 | 200 | 635 | 905 | 145 | 290 |
| FNH-13.8/50 | 935 | 200 | 735 | 905 | 145 | 290 |
| FNH-16,2/58 | 1085 | 200 | 735 | 1055 | 145 | 290 |
| FNH-20,7/70 | 1085 | 200 | 935 | 1055 | 145 | 290 |
| FNH-23.0/80 | 1100 | 220 | 1035 | 1070 | 165 | 310 |
| FNH-27.6/100 | 1100 | 220 | 1035 | 1070 | 165 | 310 |
| FNH-33.3/120 | 1130 | 220 | 1035 | 1100 | 165 | 310 |
| FNH-39.8/140 | 1190 | 220 | 1235 | 1170 | 165 | 320 |
| FNH-45.6/160 | 1250 | 220 | 1335 | 1220 | 165 | 320 |
| FNH-49.9/180 | 1410 | 220 | 1335 | 1380 | 165 | 320 |














